网站首页 公司简介 新闻中心 产品展示 资质荣誉 车间一角 在线留言 联系我们
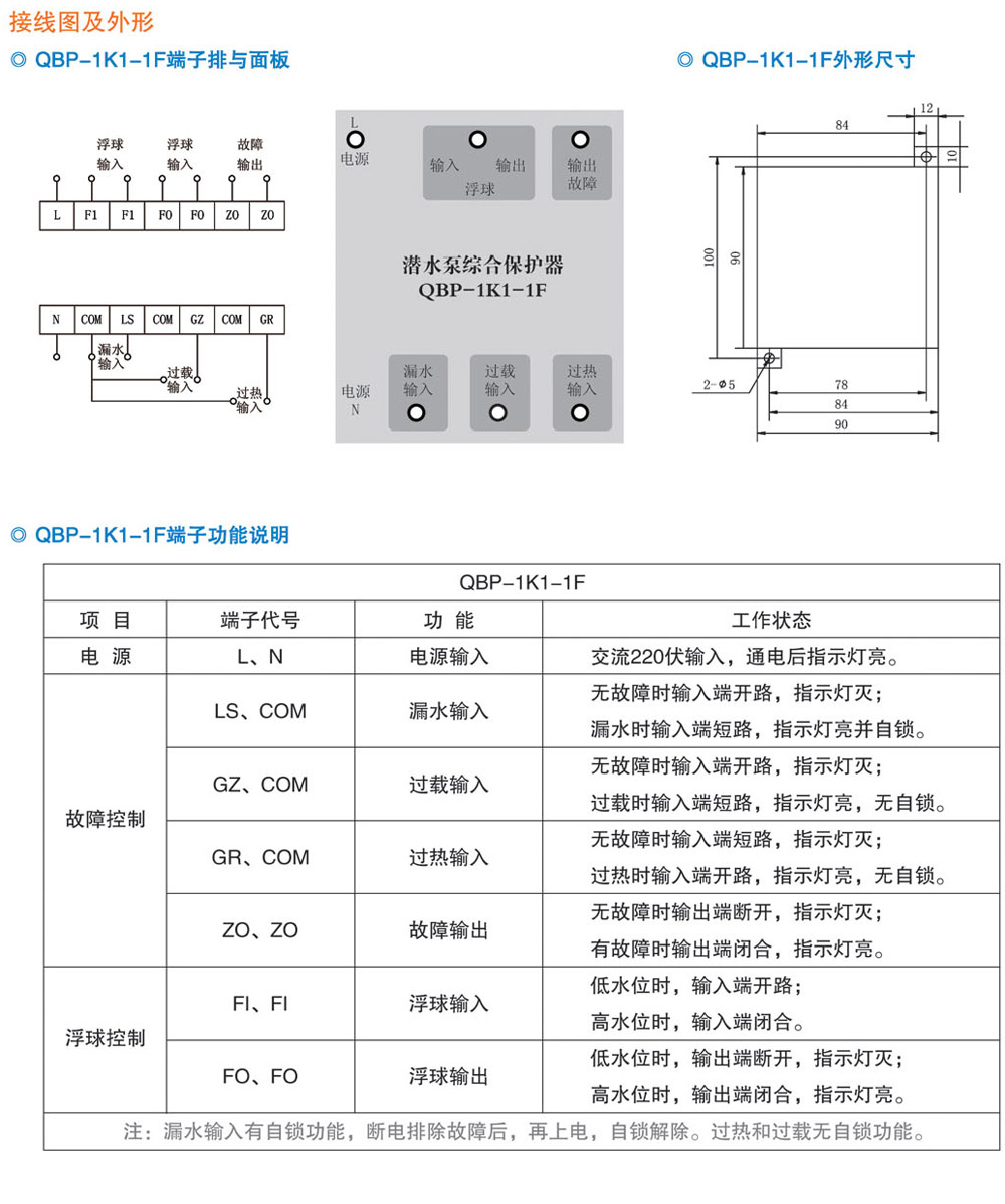
QBP-1K1-1F潜水泵综合保护器
 



版权所有:建湖县华鑫自控电器厂 联系人:肖经理 手 机:17768957168 备案号 苏ICP备12025622号
地 址:建湖县恒济科技园区 电 话:0515-86503888 传 真:0515-86503115 邮 箱:ychxlh@126.com 网 址:www.jshxzk.com